
产品概述: 本机组的空气循环系统由三股空气流组成,即室外新鲜空气、室内污浊空气和室内循环空气。
直流变频新风热泵多功能一体机组系列产品是一款集新风、净化、制冷、除湿、制热功能于一体的多功能用途机组。该机组与室内风管和出风口连接后成为一个室内空气处理系统,能根据用户求,为用户提供洁净、舒适的室内居住环境。直流变频新风热泵多功能一体机组系列产品是被动式节能建筑室内居住环境系统的核心,为该类建筑提供高品质的新风、高效的冷和热,正常情况一台设备可以匹配150m²左右的被动屋住宅。除此之外,直流变频新风热泵多功能一体机组系列产品还可以
直流变频新风热泵多功能一体机组系列产品采用分体式结构设计,分为室内机和室外机。室内机采用氟盘管,需要和室外机同时使用,独立为建筑物提供空调和新风用能源。室外机的冷热源形式为风冷。 |
|
产品特点: 制冷制热 采用超低温型空气源热泵作为系统的冷热源,具有适用范围广、安装简便、能效比高、初投资低等优点。 高效过滤 过滤结构为多层分项高效过滤,PM2.5、烟尘、苯类、甲醛、挥发性有机化合物等有害物质去除率95%,让家人24小时健康呼吸。 高效热回收 高效全热回收芯体采用石墨烯改性抗菌透水膜,具有高效、调湿、抑菌、可水洗、使用寿命长等优势。 空气品质监测 室内安装多功能传感器,对室内温度湿度CO2浓度、PM2.5浓度、甲醛等有害气体浓度监测并控制。 新风调节 当检测到室内PM2.5、CO2、甲醛等有害气体浓度超标时,自动引入新风,经过高效过滤后送入室内,同时排出室内的污浊空气。 节能环保 制冷剂采用R410A环保冷媒;压缩机采用直流变频压缩机;自动运行模式时,根据监测的室内温度、空气品质,智能运行。 无线控制 通过手机APP实时显示室内空气环境状况,并通过手机对设备进行远程控制。 |
|
直流变频热泵型新风环控一体机工作原理 本机组的空气循环系统由三股空气流组成,即室外新鲜空气、室内污浊空气和室内循环空气。
| 新风模式: 运行新风模式,自动打开新风风阀、变频送风机和排风机。变频送风机和排风机分
|
| 制冷(热)模式:该模式下根据是否开启新风功能,分两种方式:制冷(热)模式或制冷(热)模式+新风模式。 制冷(热)模式时,新风风阀关闭,回风风阀和变频送风机打开,室内循环空气经PM2.5过滤器净化后再经翅片换热器冷却降温(或加热升温)送至室内。此时室内空气进行内循环,主要用于房间急速制冷(或制热)。 制冷(热)+新风模式时,新风风阀、变频送风机、回风风阀和排风机打开。室外新鲜气流与室内污浊气流在全热交换器中进行能量交换后与循环空气合并,再经翅片换热器冷却降温(或加热升温)后进入室内。室内污浊空气经过能量回收后排向室外。这样,在制冷(热)的基础上,保证室内污浊空气(含甲醛、二氧化碳等气体)的排出和有足够的新鲜空气的输入,大大提升室内空气的品质。 除湿模式:该模式下根据是否开启新风功能,有两种方式:除湿模式或新风+除湿模式。 |
全热交换石墨烯机芯 石墨烯全热交换芯,主要用ABS框架和石墨烯高分子膜制备,其石墨烯膜材具有高导热性、亲水性及水分子的高通透性等特点,因此石墨烯全热交换芯具备高效率的显热、潜热回收等特点,节能效果显著。与纸膜芯和金属膜芯相比,在热交换效率、抗菌防霉、可靠性、稳定性以及使用寿命上均有非常明显的优势。 产品性能特点 • 热交换效率高:在标准工况下,焓效率可达80%。 • 透水性、气密性:石墨烯膜材具有透水不透气的特点,其气密性高达98%以上。膜材有极佳的亲水性能和对水分子的选择通透性,使得石墨烯膜表面不会有液态水存在,结露点低,在低温天气下不会结霜阻塞风道。 • 抗菌防霉性能:石墨烯膜材中添加了某些特殊功 能离子或基团,赋予了膜材具有高效、长期的抗 菌抑菌功效。并且膜材表面的酸性基团亦可防止 生物滋生淤积于膜表面,防止二次污染。 抗菌时效超长,大于10年,抗菌等级大于99.9% ,防霉,无二次污染。 • 稳定性:石墨烯膜具有良好的机械强度,能够承 受不小于0.2Pa的压强(等于2Kg压力),同等工 况下风阻比纸芯小15%。石墨烯芯块边框采用ABS 材料,不会变形,有效保障产品结构的稳定性。 • 可维护性:石墨烯膜材料中添加了具有超高比表 面积的纳米级片状石墨烯,使得膜材表面摩擦系 数低于常规材质膜材,阻力小,灰尘不易停留, 自清洁功效显著,维护时用水冲洗干净,干了装 回设备继续使用。 |
|
应用例图
被动屋是一种气密性高、能耗极低的高标准建筑。针对这类建筑的特点,沃森研发了一种集新风、采暖、制冷、除湿和净化一体的组合机,一机解决了被动屋的整个暖通机电系统,充分体现了沃森的健康、舒适和节能的产品理念。


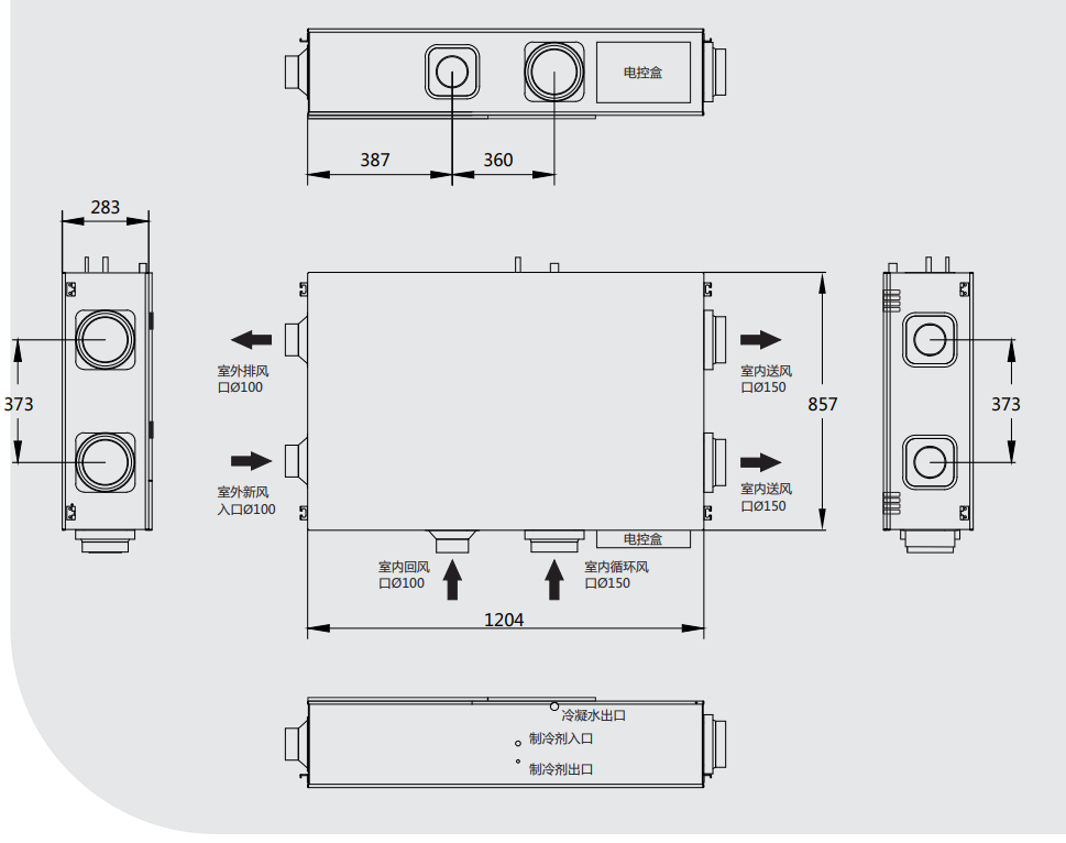
机组外形尺寸
室内机:PH-NYWS150H/26P PH-NYWS200H/35P
| 室内机: PH-NYWS250H/50P PH-NYWS300H/70P
|
室外机: PH-NYWS150H/26P PH-NYWS200H/35P PH-NYWS200H/50P
| 室外机:PH-NYWS300H/70P
|
性能参数表
| 直流变频热泵型新风环控一体机(被动式超低能耗建筑专用) | ||||
型 号 Model No. | PH-NYWS150H/26P | PH-NYWS200H/35P | PH-NYWS250H/50P | PH-NYWS300H/70P |
| 新风量(m³/h) | 150 | 200 | 250 | 300 |
| 排风量(m³/h) | 140 | 190 | 240 | 290 |
| 循环风量(m³/h) | 350 | 500 | 650 | 800 |
| 送风量(m³/h) | 500 | 700 | 900 | 1100 |
| PM2.5净化效率 | 99% | 99% | 99% | 99% |
| 交换效率制冷(焓) | 76% | 75% | 75% | 75% |
| 交换效率制热(焓) | 82% | 81% | 81% | 81% |
| 机组制冷能力(W) | 2600 | 3500 | 5000 | 7000 |
| 机组制冷量范围(W) | 900-3500 | 900-4300 | 1000-5800 | 1000-7500 |
| 机组制冷消耗功率(W) | 850 | 1050 | 1630 | 2320 |
| 机组制热能力(W) | 3300 | 4400 | 6300 | 7500 |
| 机组制热量范围(W) | 900-4500 | 900-5500 | 1000-6500 | 1000-8500 |
| 机组制热消耗功率(W) | 1050 | 1300 | 2000 | 2410 |
| 机组最大输入功率(W) | 2250 | 2850 | 5300 | 5500 |
| 制冷剂类型 | R410A | R410A | R410A | R410A |
| 除湿量(Kg/h) | 1.6 | 2.1 | 2.8 | 3.3 |
| 电源 | 220/50Hz | 220/50Hz | 220/50Hz | 220/50Hz |
| 通风电力需求(w-h/m³) | 0.42 | 0.45 | 0.45 | 0.45 |
| 制冷能效比EER | 3.05 | 3.33 | 3.07 | 3.02 |
| 制热能效比COP | 3.14 | 3.38 | 3.15 | 3.11 |
| 最大工作压力(Mpa) | 4.2 | 4.2 | 4.2 | 4.2 |
| 最小环路电流(A) | 10 | 16 | 30 | 30 |
| 最大保险丝规格(A) | 15 | 25 | 40 | 40 |
| 噪声(dB(A)) | 35(室内机) | 36(室内机) | 36(室内机) | 38(室内机) |
| 48(室外机) | 49(室外机) | 49(室外机) | 51(室外机) | |
| 机外余压(Pa) | 送风口110 | 送风口110 | 送风口120 | 送风口150 |
| 排风口60 | 排风口70 | 排风口70 | 排风口100 | |
| 内机外形尺寸(长x宽x高mm) | 1204*857*280 | 1204*857*280 | 1580*1050*280 | 1580*1050*280 |
| 外机外形尺寸(长x宽x高mm) | 790*290*540 | 790*290*540 | 790*290*540 | 890*370*820 |
| 机组重量(Kg) | 83(室内机) | 85(室内机) | 87(室内机) | 95(室内机) |
| 31(室外机) | 33(室外机) | 34(室外机) | 69(室外机) | |
| 电辅热(W) | 1000 | 1000 | 2000 | 2000 |
*该数据仅供参考,具体以实物使用为准。

400-628-1208 













